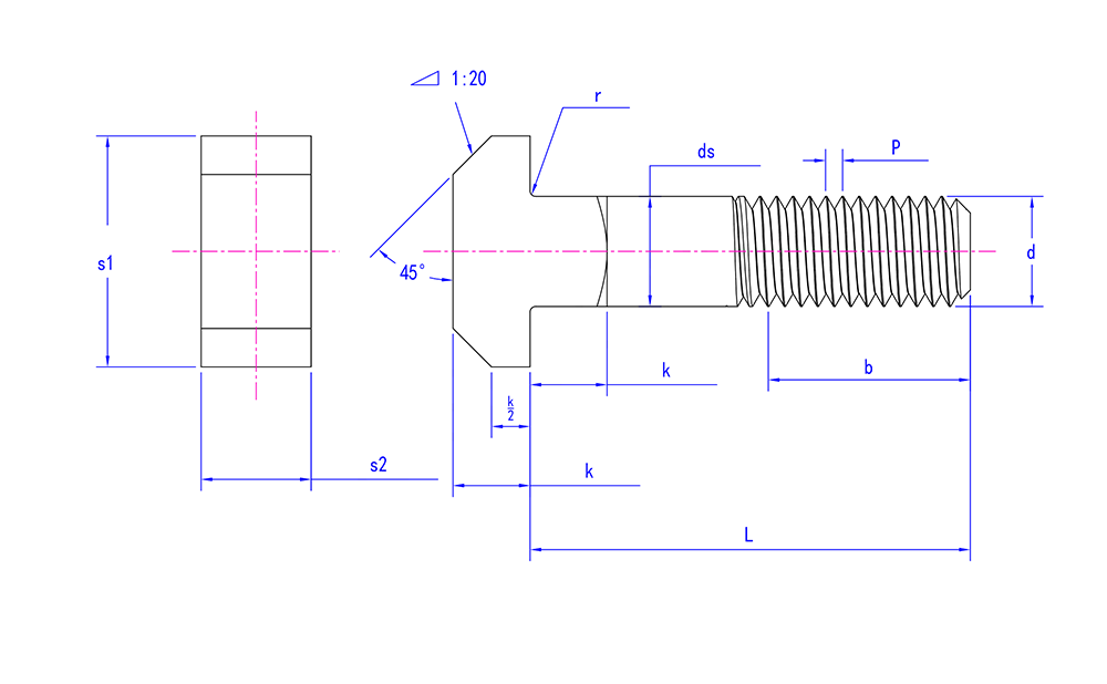
DIN186 rozsdamentes acél T-fejű csavarok négyszögletes nyakú csavarokkal
| Fej jellemzői | T-típusú fej, elfordulásgátló, négyzet alakú nyak |
| A rúd jellemzői | Dupla forgásgátló |
| Alapvető cél | Megakadályozza a forgást, növeli a stabilitást |
| Előnyök és jellemzők | A szögletes nyakú kialakítás megakadályozza a csavarok elfordulását, alkalmas nagy igénybevételű rögzítésekhez |
| Tipikus felhasználások | Akadályozza meg a forgást, nagy terhelésű csatlakozásokat, például nagy berendezéseket, nehéz gépeket. |
| A kiválasztás főbb mutatói | T-fej forma, szögletes nyakméret, csavarhossz, átmérő, menethossz, anyag. |
| Iparág-specifikus követelmények | Nehéz gépek: alkalmas nagy terhelésű berendezésekhez, és meg kell akadályozni a csavarok elfordulását. Autóipar: nagy szilárdságú csatlakozásokhoz használják, amelyek megakadályozzák a csavarok elfordulását. |

















